背景圖案 背景圖案

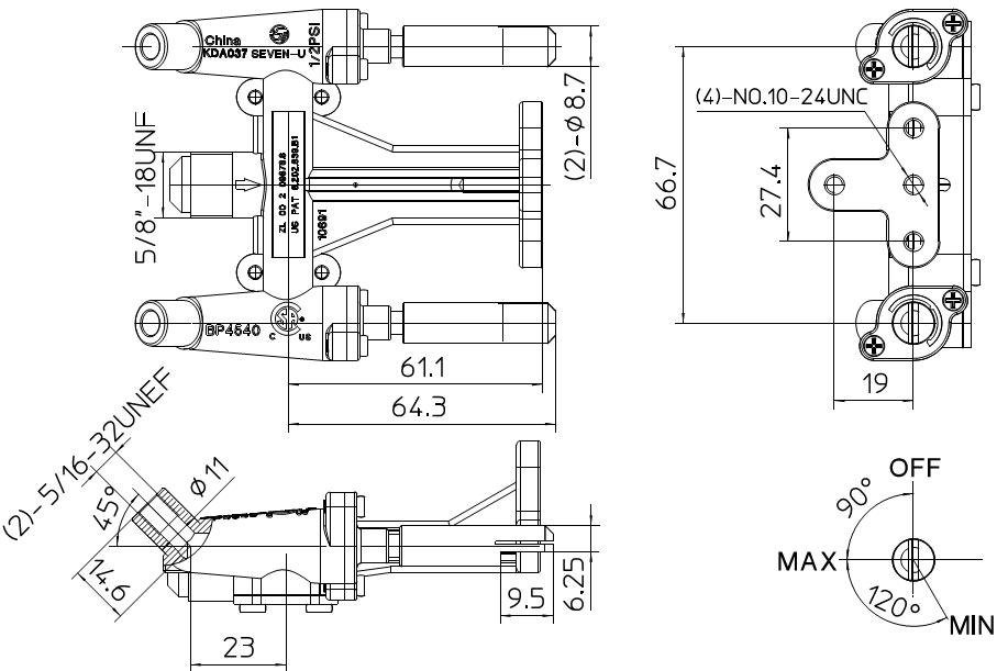
45 degree dual aluminum valve

QBP454004

45 degree dual aluminum valve
CSA&CE certification
Max working pressure :1/2psi
Working temperature range:0゚F-250゚F