背景圖案 背景圖案

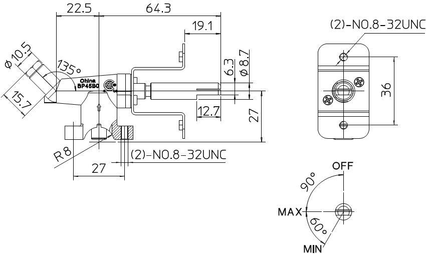
0 degree Aluminum Valve

QBP45B009A

0 degree Aluminum Valve
CSA&CE certification
Max working pressure :1/2psi
Working temperature range:0゚F-250゚F