NG regulator
CSA CE AGA certificated.
Max working pressure:1/2psi
Work temperature range :0゚F-225゚F
inlet pressure:7”W.C
outlet pressure:3-5”W.C
Flow rate:120000BTU/Hr
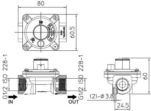
Inlet thread: 1/2”NPT&G1/2”
Outlet thread: 1/2”NPT&5/8-18UNF&9/16-24UNF&R1/2&G1/2
