LP regulator
CSA CE AGA certificated.
Max working pressure:1/2psi
Work temperature range :0゚F-300゚F
LPG inlet pressure:14”W.C
outlet pressure:8~10”W.C
Flow rate:120000BTU/Hr
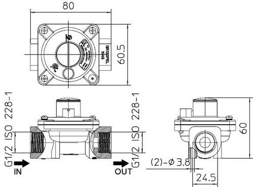
Inlet thread: 1/2”NPT&G1/2”
Outlet thread: 1/2”NPT&5/8-18UNF&9/16-24UNF&R1/2&G1/2
