背景圖案 背景圖案

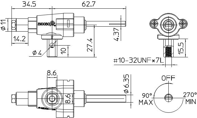
0 degree Aluminum Valve

QBI00B043A

0 degree Aluminum Valve
CSA&CE certification
Max working pressure:1/2psi
Working temperature range:0゚F-250゚F